AS-S Introduction
AS-S series box folding gluing machine machine is straight line, lock bottom, 4 & 6 corner cartons and more, adopt synchronous belt transmission and electronic continuously variable speeder, domestic standard electronic components, feeding section adopt independent motor control, stable and easy to control and operate.
It is widely used in food, medicine, cosmetics, stationery and other ordinary cartons, process and glue for all kinds of bottom-locked cartons. (We can customize of other size).
AS-S Technical Parameters
|
MODEL |
650 |
800 |
1100 |
|
Paper material |
Cardboard 210-800gsm, E/N/F Flute |
||
|
Max. speed |
400m/min |
||
|
Max .thickness of folded box |
12mm |
||
|
Way of folding |
Fold 1 and fold 3 are 180°and 135°,fold 2 and fold 4 are 180° |
||
|
Power supply |
3P 380V 50HZ |
||
|
Blank width |
650mm |
800mm |
1100mm |
|
Length x Width x Height |
13.5x1.5x1.45m |
13.5x1.65x1.45m |
13.5x2.0x1.45m |
|
Net Weight |
5.5T |
6.5T |
7.5T |
|
Total power |
16kw |
16kw |
17kw |

Feature introduction
![]() |
Paper Feeding Section 1.6pcs Adjustable feeding belts to ensure easy adjustment, stable and smoothly feeding. 2.Continuously Variable Speeder to ensure feeding internal and stable transmission. 3.One-touch Pneumatic knife, easy for the adjustment of feeding belts. |
![]() |
Pre-folding section 1.Double-board structure with a set of pre-folding knife. 2.Pre-fold angle is 180°and 135°, especially suitable for small |
![]() |
Lower gluing tank Equipped with the lower gluing tank 5mm. |
![]() |
Folding and closing 2.Folding belts have corrective function 3.Extension work, make the box forming more stable. |
![]() |
Trombone section 1.Adjust the pressure easily and reliably to ensure the gluing quality. 2.Equipped with pneumatic counting device which makes the counting conveniently. 3.The press is equipped with independent speeder. The operator can set the collecting speed. |
![]() |
Transmission 1.Equipped with one-touch pneumatic pressure adjustment, easy operation. 2.Press has two functions: waiting, when feeding is paused, press will auto enter into waiting state Travel switch, pause the machine in case of wrong collecting |
![]() |
4 and 6-corner device Motorized and untimed electronic back folding system with intelligent servo motor technology |
![]() |
Spraying System Equipped with three guns, convenient in the production of 4/6 corner box and various special-shaped box, gluing quickly and accurately sizing |

Samples Parameters
|
Straight Line Box |
|
|||
|
Model |
650Type |
800Type |
1100Type |
|
|
Way of folding |
Two carriers |
Two carriers |
Two /three carriers |
|
|
B+C+D+E |
130-650 |
130-800 |
130/280-1100 |
|
|
C+D |
65 |
65 |
65/140 |
|
|
E(Min) |
30 |
30 |
30 |
|
|
E(Max) |
500 |
500 |
500 |
|
|
F |
70-800 |
70-800 |
70-800 |
|
|
G(Max) |
800 |
800 |
800 |
|
|
Prefolding |
||||
|
D+E(Max) |
300 |
300 |
300 |
|
|
G(Max) |
500 |
500 |
500 |
|
(Final folding by one carrier:B+C+D+E mini feeding width 75mm)
|
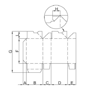
Crash Lock Bottom Box |
|
|||
|
Model |
650Type |
800Type |
1100Type |
|
|
Way of folding |
Two carriers |
Two carriers |
Two /three carriers |
|
|
B+C+D+E |
130-650 |
130-800 |
130/280-1100 |
|
|
C+D |
65 |
65 |
65/140 |
|
|
E(Min) |
30 |
30 |
30 |
|
|
E(Max) |
500 |
500 |
500 |
|
|
F |
70-800 |
70-800 |
70-800 |
|
|
G(Max) |
800 |
800 |
800 |
|
|
H(Min) |
25 |
25 |
25 |
|
|
L |
30-100 |
30-100 |
30-100 |
|
|
4 Corners Box |
|
|||
|
Model |
650Type |
800Type |
1100Type
|
|
|
Way of folding |
Two carriers |
Two carriers |
Two /three carriers |
|
|
A+B+C |
160-650 |
160-800 |
160-1100 |
|
|
B(min) |
90 |
90 |
90 |
|
|
F |
70-800 |
70-800 |
70-800 |
|
|
G(max) |
800 |
800 |
800 |
|
|
H(min) |
25 |
25 |
25 |
|
|
L |
30-100 |
30-100 |
30-100 |
|
|
6 Corners Box |
|
|||
|
Model |
650Type |
800 Type |
1100 Type
|
|
|
Way of folding |
Two carriers |
Two carriers |
Two/three carriers |
|
|
A+B+C+D+E |
260-650 |
260-800 |
260/310-1100 |
|
|
B+C(min ) |
80 |
80 |
80/140 |
|
|
B(min) |
80 |
80 |
80 |
|
|
C(min) |
30 |
30 |
30 |
|
|
D(min) |
70 |
70 |
70 |
|
|
F |
70-800 |
70-800 |
70-800 |
|
|
G(max) |
800 |
800 |
800 |
|
|
H(min) |
25 |
25 |
25 |
|
|
L |
30-100 |
30-100 |
30-100 |
|


















